Перейти к содержанию
    • Ширина форума %
Перед созданием темы - убедитесь, что вы создаёте её в правильном разделе.
Темы оформленные не по образцу шаблона - не подлежат публикации на форуме.

Зависания и перезагрузка на новом ПК при попытке установить систему. Z690tuf gaming plus Wi-Fi d5 + 12400f


Рекомендуемые сообщения

Суть и описание Вашей проблемы:

 

 Собрал данный ПК биос работает все гуд но когда дошло до установки винды как только загорается логотип операционки сразу виснет. Ни винда ни линукс ни даже реаниматор от стрельца не запускаются все виснет на лого и перезапускается хотя инициализация проходит и все вроде бы норм. Биос определяет SSD, озу и проц нормально. Тестили с другим процом то де самое. На другом железе озу видяха SSD работают отлично.В чем может быть дело ? Все комплектующие взяты во всем нам известном магазине на три буквы...


Когда (после чего) появилась проблема:

Сразу после сборки и первом включении


Ваши действия по решению проблемы:

Пробовал играть с озу в разные слоты. Убирал SSD. Прошил биос на последний доступный. Отключал всю перефирию. В биосе вырубал боютуз вайфай и все не нужное для установки


Комплектующие ПК:

Материнская плата:MSI z690 plus Wi-Fi ddr5

Процессор: Intel Core i5 12400f

Оперативная память:ADATA XPG Lancer Blade RGB [AX5U6400C3216G-DTLABRBK] 32 ГБ

Видеокарта: Gigabyte GeForce RTX 4060 EAGLE OC

Накопители (HDD/SDD):ARDOR GAMING Ally AL1284 [ALMAYM1024-AL1284]

Блок питания:DeepCool 750

Сис-ма охлаждения: DeepCool lt720


Дополнительное описание:

Собрал ПК биос не тупит с виду все ок. Но при запуске установки виснет и ребут. Не важно что ставить линукс или просто реаниматор запускаешь.


Операционная система: Windows 11
Ссылка на комментарий
  • joker4595 изменил название на Z690tuf gaming plus Wi-Fi d5 12400f отказывается работать
  • Misferado изменил название на Зависания и перезагрузка на новом ПК при попытке установить систему. Z690tuf gaming plus Wi-Fi d5 + 12400f
  • Ответов 3
  • Создана
  • Последний ответ

Топ авторов темы

Популярные дни

Топ авторов темы

Изображения в теме

...

Пробуй ставить десятую винду.

За спасибо- Спасибо!  ?  

Наш совместный с внуком канал на RUTUBE Дедушка&Внук https://rutube.ru/channel/61202262/

 

Ссылка на комментарий

Было у меня подобное с одним SSD. Ставил Виндовс с этим SSD - чёрные, синие экраны. Никак вообще. Поставил этот SSD в другой ПК, накатил Виндовс на него ВООБЩЕ без проблем, выключил до установки драйверов, поставил обратно в первый ПК - и снова тоже самое. Не хочет работать и всё тут. Симптомы те же. Установил в итоге Виндовс на другой SSD, а этот (проблемный) оставил в этом ПК в качестве просто накопителя. В таком режиме работает всё без вопросов. Какая-то несовместимость.

 

SSD этот: 1 Тб WD Blue SN550 M2.NVMe.

Ссылка на комментарий
14 часов назад, joker4595 сказал:

ARDOR GAMING Ally AL1284 [ALMAYM1024-AL1284]

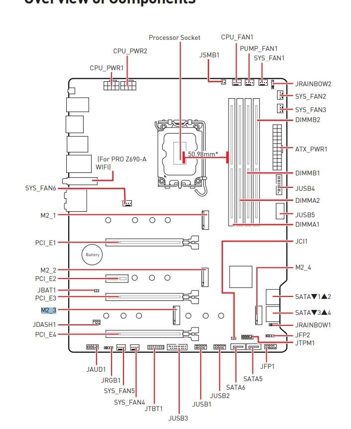
Попробуй ссдюк в M2_3 воткнуть.

Снимок.JPG

Изменено пользователем nOcT_cKpunTyM
Ссылка на комментарий

Присоединяйтесь к обсуждению

Вы можете написать сейчас и зарегистрироваться позже. Если у вас есть аккаунт, авторизуйтесь, чтобы опубликовать от имени своего аккаунта.

Гость
К сожалению, ваш контент содержит запрещённые слова. Пожалуйста, отредактируйте контент, чтобы удалить выделенные ниже слова.
Ответить в этой теме...

×   Вставлено с форматированием.   Восстановить форматирование

  Разрешено использовать не более 75 эмодзи.

×   Ваша ссылка была автоматически встроена.   Отображать как обычную ссылку

×   Ваш предыдущий контент был восстановлен.   Очистить редактор

×   Вы не можете вставлять изображения напрямую. Загружайте или вставляйте изображения по ссылке.

×
×
  • Создать...

Важная информация

Уважаемый гость, прежде чем пройти регистрацию или создать тему - ознакомьтесь с правилами форума - Правила